FAXON MATCH SERIES GUNNER PROFILE 12" 1:6T PISTOL-LENGTH 8.6 BLK SAAMI AR10 BARREL
FaxonFaxon Match Series AR-10 Barrel — 12" 8.6 Blackout (1:6 Twist, Pistol Gas)
416-R stainless steel • 5R button rifled • Salt bath nitride (QPQ) inside & out • Nickel-Teflon (NP3) coated DPMS/LR-308 extension • MPI inspected • Recessed 11° target crown • Gunner profile • Pistol-length gas • .875" gas block journal • M18x1.5 muzzle with tapered shoulder (adapter included)
The Faxon Match Series 12" 8.6 Blackout (8.6 BLK) AR-10 barrel delivers match-grade precision in a compact yet balanced package, ideal for suppressed, subsonic, or versatile 8.6 BLK builds. Featuring a balanced 1:6 twist and pistol-length gas, this barrel is optimized for modern AR-10 setups—now with a SAAMI-certified chamber for standardized safety, ammo compatibility, and reliable performance across loads.
Match Series barrels are precision-machined from premium 416-R stainless steel for superior accuracy, machinability, and corrosion resistance. The bore uses 5R button rifling to minimize jacket deformation and enhance velocity consistency, finished with salt bath nitride (QPQ) inside and out for reduced fouling and extended life. A nickel-Teflon (NP3) coated DPMS/LR-308 extension ensures smooth feeding and durable lockup, with every barrel MPI inspected for top-tier quality assurance.
Proudly American Made by a family-owned manufacturer in Greater Cincinnati, Ohio. Learn more about the 8.6 BLK cartridge: click here.
Why Match Series Specs Shine
- 416-R stainless steel: Premium material for exceptional accuracy, corrosion resistance, and consistency—perfect for precision and suppressed use.
- 5R rifling: Reduces bullet deformation for tighter groups, better consistency, and broad compatibility with subsonic/heavy projectiles.
- QPQ nitride inside & out: Enhances corrosion resistance, minimizes fouling, and extends service life in demanding environments.
- Balanced compact design: 12" Gunner profile provides excellent velocity, maneuverability, and practical rigidity without excess bulk.
- Precision interface: Nickel-Teflon (NP3) coated extension with DPMS/LR-308 compatibility for reliable, smooth operation (verify fitment).
Ideal Use Cases
- Precision compact 8.6 BLK pistols/rifles: Pistol gas and 12" length offer improved velocity and agility with match-level accuracy.
- Suppressed & subsonic setups: QPQ + 5R rifling reduce fouling/corrosion; tune gas/buffer and verify alignment for optimal performance.
- Versatile projectile loads: 1:6 twist stabilizes heavy subsonics to lighter supers for consistent energy and accuracy.
- Training, hunting, or hard-use: Stainless construction + nitride finish handles varied conditions and extended sessions.
Specifications
Build note: Function and tuning vary by ammunition, buffer system, and suppressor setup. Always verify headspace with proper gauges and confirm muzzle-device alignment before use.
Consumer Note:
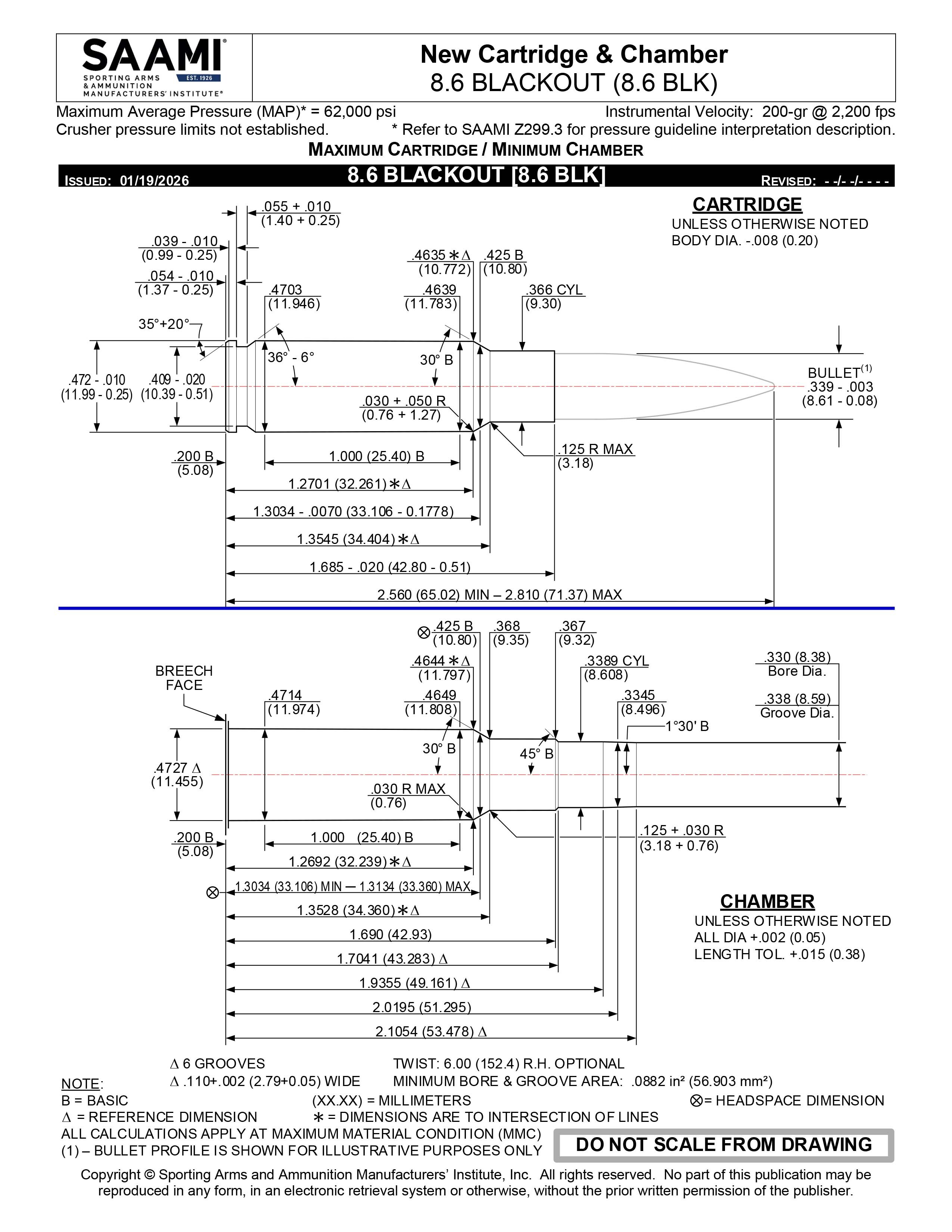
8.6 BLK is now SAAMI certified, standardizing chamber and cartridge dimensions (including headspace) for enhanced safety, consistency, and ammunition interchangeability across manufacturers.
The primary changes with SAAMI certification include formalized headspace dimensions and support for more moderate twist rates (compared to the original aggressive 1:3 design), promoting greater versatility with a wide range of projectiles—making this Match Series 1:6 twist barrel an excellent fit for balanced precision in both subsonic and supersonic applications.
PLEASE NOTE:
Always use SAAMI-spec compliant 8.6 BLK ammunition for best performance and safety. If you have questions, contact customerservice@faxonfirearms.com.

Frequently Asked Questions
Will this 12" 8.6 BLK barrel fit my AR-10 / LR-308?
Why 416-R stainless and 5R rifling in a compact 8.6 BLK barrel?
Is this barrel suppressor-ready?
What benefits does QPQ nitride provide for Match Series?
What does SAAMI certification change for 8.6 BLK?
Warranty: Backed by the Faxon Lifetime Guarantee. Full details: https://faxonfirearms.com/warranty-privacy-terms/
-
8.6 BLK | Ballistic Gel Slow Motion Footage | 1:3 210 Grain vs. 1:9 210 Grain
Footage from our Florida Hog Hunt with Q and @Gorillaammo! Our...
-
Faxon Sentinel AR-10 in 8.6 BLK (Official Trailer)
The Sentinel 8.6 BLK, part of Faxon's Summit Line of firearms,...
-
8.6 Blackout AR-10 - An Insanely Satisfying Subsonic round with crazy rotational energy
8.6 blackout has been making its rounds in bolt action rifles ...
- Caliber:
- 8.6 BLK SAAMI
- Barrel Profile:
- Big Gunner
- Barrel Material:
- 416-R Stainless
- Outside Finish:
- QPQ Nitride
- Rifling Twist Rate:
- 1:6
- Muzzle Thread:
- M18x1.5
- Gas Block Diameter:
- .875"
- Gas Block Journal Length:
- 1.9"
- Barrel Weight:
- 2.0 lbs
- Barrel Length:
- 12"