FAXON FX7 PREFIT GUNNER PROFILE 12" 1:6T 8.6 BLK SAAMI BOLT ACTION BARREL
Faxon
Faxon RemAge Style Gunner Profile — 16" 1:6T 8.6 BLK SAAMI Bolt Action Barrel (7F1B866N12NGQ)
416-R stainless • 1:6 twist • Button rifled • QPQ nitride • Gunner profile • FX7 Prefit • Designed for 8.6 Blackout SAAMI
The Faxon FX7 Prefit Gunner 16" 8.6 Blackout SAAMI Barrel is purpose-built to harness the extreme ballistic potential of the 8.6 BLK cartridge in a compact, suppressor-ready bolt-action platform. The aggressive 1:6 twist rate is essential for stabilizing long, heavy 8.6 BLK projectiles and maximizing rotational energy, especially in subsonic and suppressed configurations.
Machined from 416-R stainless steel at Faxon’s Cincinnati facility, each barrel is fully stress relieved, air-gauge tested, magnetic particle inspected, and finished with a durable QPQ salt bath nitride treatment inside and out. A recessed target crown ensures consistent accuracy shot-to-shot. Proudly American-made by a family-owned company in Greater Cincinnati, Ohio.
Key Benefits
- FX7 Prefit interface: Built to pair cleanly with the Faxon FX7 action.
- 1:6 twist rate: Required to stabilize long, heavy 8.6 BLK projectiles for optimal terminal performance.
- Gunner profile: Lightweight yet rigid for improved balance and handling in compact builds.
- QPQ nitride finish: Superior corrosion resistance and extended barrel life.
- M18x1.5 muzzle threads: Suppressor-ready with tapered shoulder.
- Made in the USA: Manufactured and inspected by Faxon Firearms.
Specifications
Quick Installation Notes
- Verify action compatibility and confirm correct headspace gauges for your chambering.
- Clean receiver threads and barrel threads before assembly.
- Set headspace using proper gauges and follow your action torque specifications.
- After installation, confirm function and re-check fasteners after initial firing.
Safety reminder: Installation and headspacing should be performed by a qualified gunsmith or an experienced builder using correct gauges and procedures.
PLEASE NOTE:
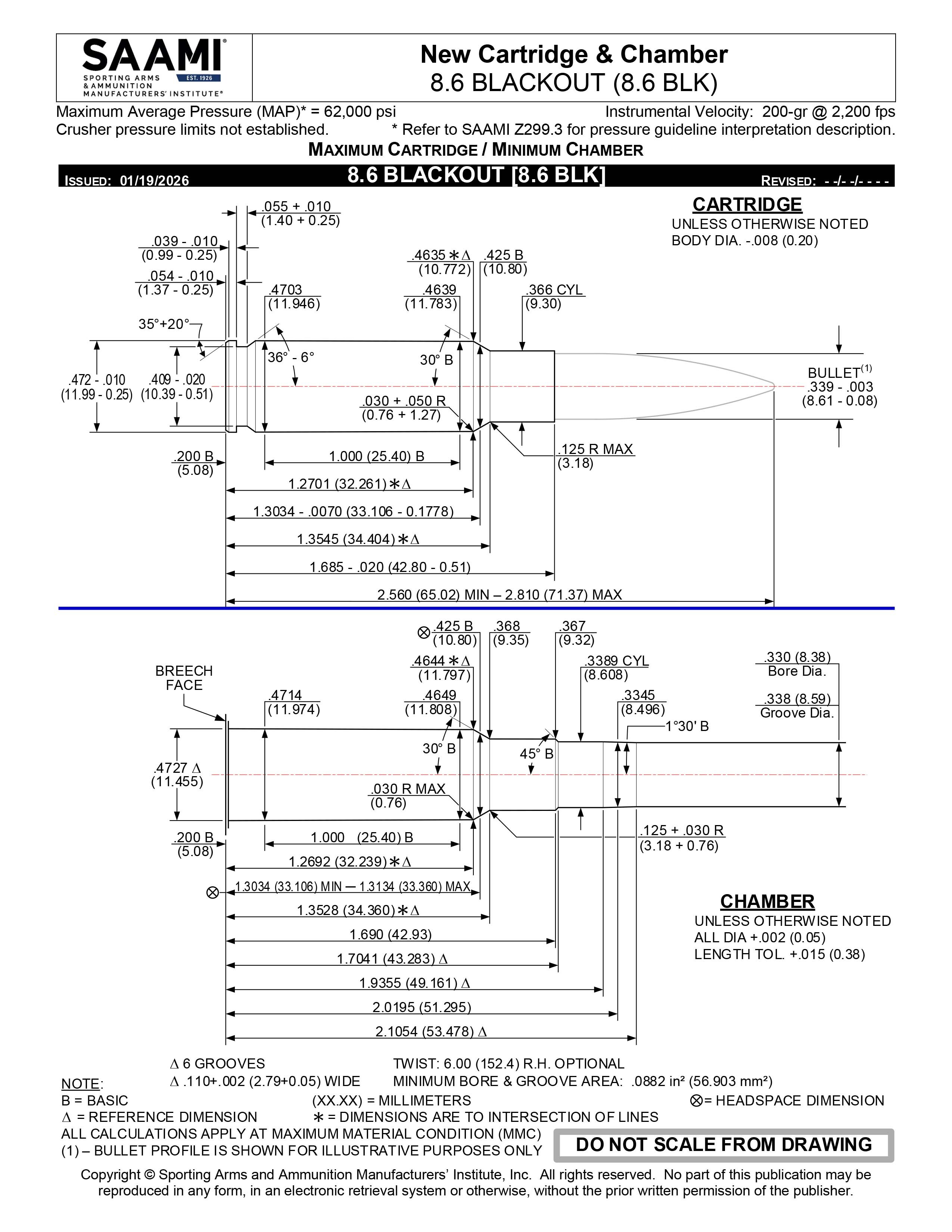
8.6 BLK is now SAAMI certified, standardizing chamber and cartridge dimensions (including headspace) for enhanced safety, consistency, and ammunition interchangeability across manufacturers.
The primary changes with SAAMI certification include formalized headspace dimensions and support for moderate twist rates (compared to earlier aggressive designs), promoting greater versatility with a wide range of projectiles—making this RemAge-style 1:6 twist barrel an excellent fit for balanced precision in both subsonic and supersonic applications.
Always use SAAMI-spec compliant 8.6 BLK ammunition for best performance and safety. If you have questions, contact customerservice@faxonfirearms.com.

Frequently Asked Questions
What actions is this barrel compatible with?
Is this a “drop-in” barrel?
Why does 8.6 BLK require a 1:6 twist?
Is the barrel ready for a suppressor or muzzle device?
Do I need special tools for installation?
Warranty: Backed by the Faxon Lifetime Guarantee. Full details: faxonfirearms.com/warranty-privacy-terms/
- Caliber:
- 8.6 BLK SAAMI
- Barrel Profile:
- Gunner
- Barrel Material:
- 416-R Stainless
- Outside Finish:
- Salt Bath Nitride
- Rifling Twist Rate:
- 1:6
- Barrel Weight:
- 2.07 lbs
- Muzzle Thread:
- M18x1.5
- Barrel Length:
- 12"